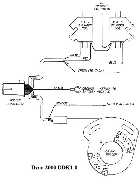
Debra Greene Blog